Planplošča K72 po DIN 55029 K72 - 250/D6 / Bernardo

Še ni ocenjeno Napišite mnenje
448,96
Brez DDV: 368,00€
Dobavljivost:
3-10 dni
Šifra:
21-5063
Proizvajalec:
Bernardo

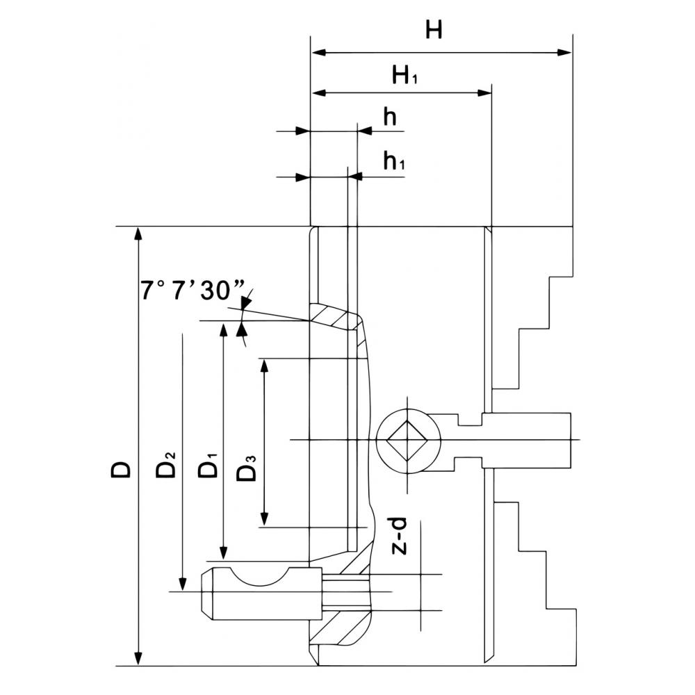
        Tehnične specifikacije

          • Velikost vpenjalne glave fi 250 mm / D 6
          • D               250 mm
          • Konus       6
          • D1 (max)  106,37 mm
          • D2             133,40 mm
          • D3             75 mm
          • H1             80 mm
          • Maks.  št. obratov    1200 obr/min
          • Teža cca   26 kg

            Izvedba:

            • 4-čeljustna plan plošča, litoželezna  
            • Nastavek direkt-nasadila DIN 55029
            • 4 individualno nastavljive čeljusti
            • Od premera fi 300 mm, imajo plan plošče na sprednji strani rezkane T-utore
            • Vključuje  1 komplet vpenjalnih čeljusti - trde

             Uporaba:

            • Uporaben za vpenjanje asimetričnih in pravokotnih obdelovancev na stružnice 
            Napišite mnenje